The borders of the nodule - case 1481 (cytologic picture 1 of another smear)


Previous picture Back to Case Maximize Next picture

Right lobe, longitudinal scan

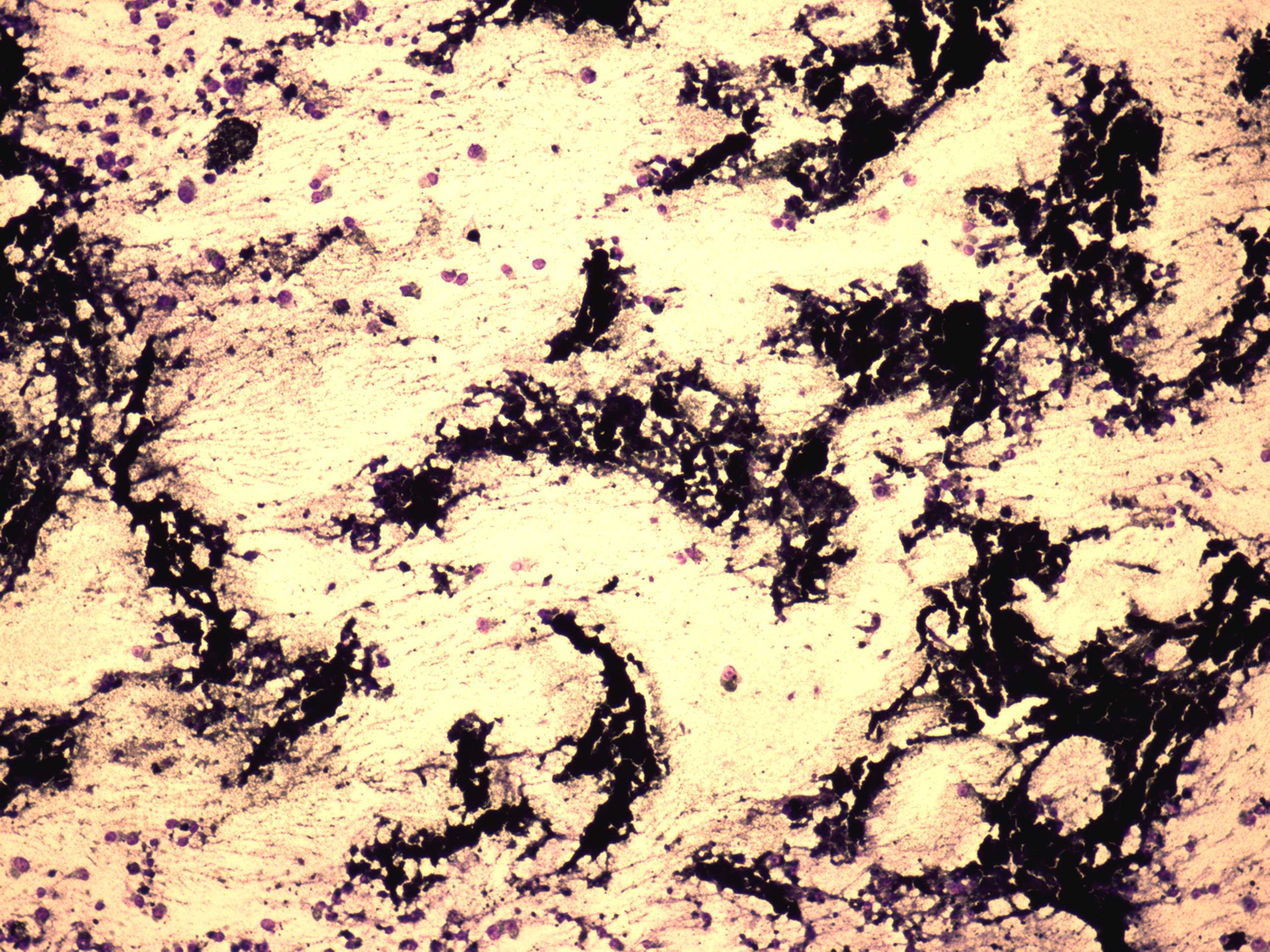
Wright-Giemsa staining, 100x.   Clusters of macrophages containing dark pigment.

 

 

 

mask